挤出机工作时,机筒内部受塑料压力的作用,压力沿机简轴向分布相当复杂,各处压力不等,故取最大机头压力作为计算压力。由于机筒外径与内径之比Da/Db>1.1,可用厚壁筒理论进行强度计算,机筒壁上每一点都处于三向应力状态,即径向应力ɓ和轴向应力ɓa(图8-54)。其强度如表8-27所示。
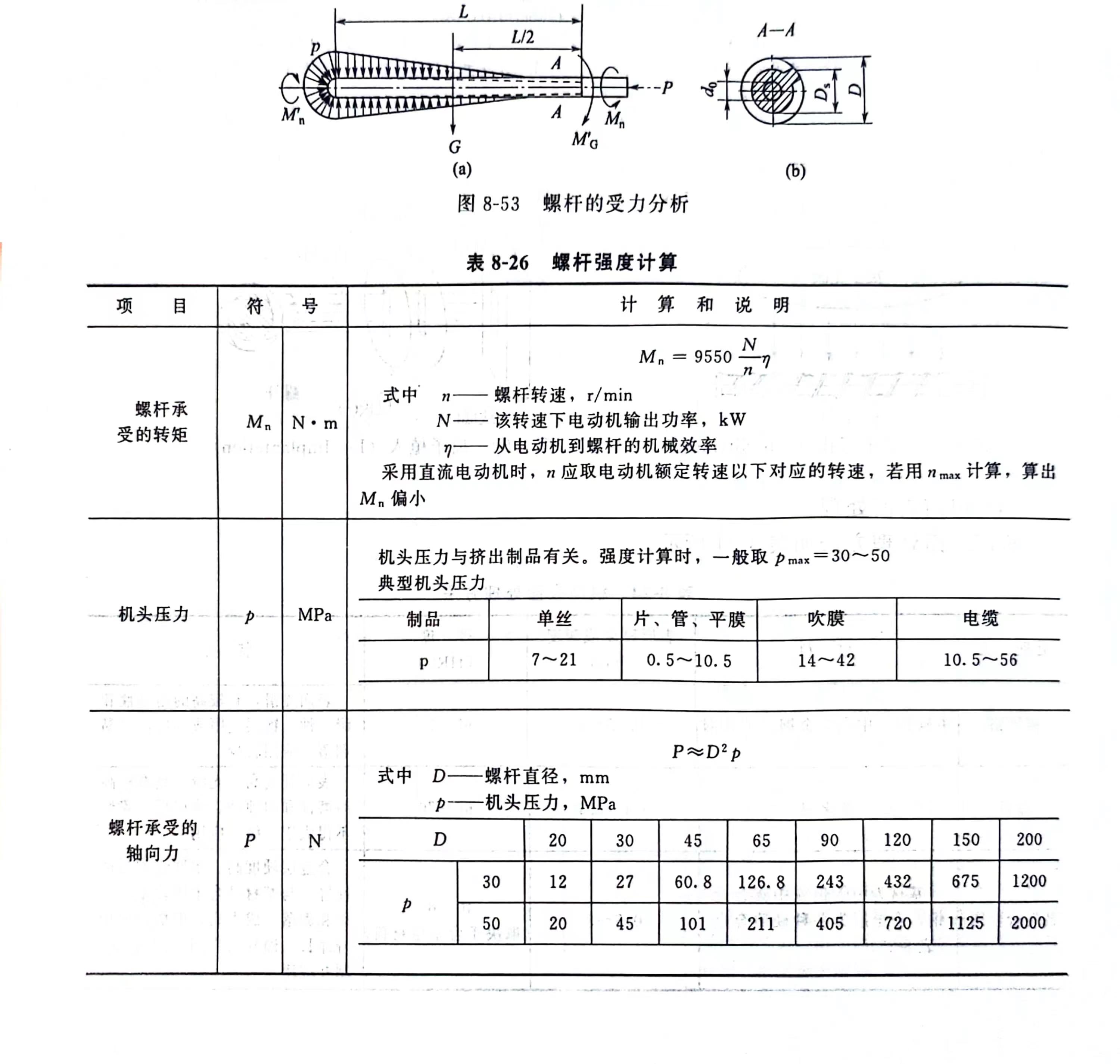
(1)螺杆的受力分析和强度计算 螺杆受力分析如图8-35所示。强度计算如表8-26所示。


(2)机筒强度计算
挤出机工作时,机筒内部受塑料压力的作用,压力沿机简轴向分布相当复杂,各处压力不等,故取最大机头压力作为计算压力。由于机筒外径与内径之比Da/Db>1.1,可用厚壁筒理论进行强度计算,机筒壁上每一点都处于三向应力状态,即径向应力ɓ和轴向应力ɓa(图8-54)。其强度如表8-27所示。



必须要指出的是,决定机筒壁厚不仅要满足强度要求,而且要考虑机筒的结构工艺性和具有必要的热容量(热惯性),以利于机筒的加工制造和热稳定性。因此机筒壁厚的确定是个比较复杂的问题。目前多采用经验统计的方法确定壁厚(表8-28),然后再进行强度校核。

